Les pompes à eaux usées immergées anti-colmatage sont conçues pour fonctionner sous le milieu liquide, permettant ainsi le transport à faible profondeur. Leur structure repose sur une configuration en porte-à-faux avec un arbre long. La profondeur d'immersion doit être strictement limitée à 2 mètres, car le dépassement de ce seuil entraîne une chute significative de leur rendement. Cependant, la principale difficulté réside dans la conception de l'arbre flexible. En fonctionnement, les paliers subissent une usure unilatérale continue, ce qui provoque des vibrations et accentue le cycle d'usure, entraînant des taux de défaillance élevés et persistants. De plus, les composants sujets à l'usure étant majoritairement situés sous le milieu liquide, le démontage et la maintenance s'avèrent extrêmement difficiles.
Le développement des pompes auto-amorçantes représente une avancée révolutionnaire par rapport aux systèmes de pompage traditionnels. Premièrement, ces pompes éliminent les longs arbres et les roulements problématiques des pompes à eaux usées immergées anti-colmatage. Deuxièmement, leurs composants clés restent hors sol, aucune pièce mécanique n'étant immergée dans le fluide transporté. Cette conception facilite et accélère la maintenance et les réparations. De plus, elles permettent une amélioration significative de la hauteur de refoulement, avec une aspiration maximale atteignant environ 7 mètres (voire plus dans certaines configurations), ce qui constitue un progrès considérable par rapport aux pompes à eaux usées immergées anti-colmatage.
Cette pompe auto-amorçante fonctionne selon un principe unique, utilisant des turbines et des disques de séparation brevetés pour assurer une séparation gaz-liquide forcée lors de l'aspiration. Sa conception, ses dimensions, son poids et son rendement sont très proches de ceux des pompes de canalisation. Cette pompe ne nécessite aucun équipement auxiliaire tel que clapets de pied, vannes de vide ou séparateurs de gaz. En fonctionnement normal, elle élimine le besoin d'amorçage par liquide, grâce à son exceptionnelle capacité d'auto-amorçage qui remplace efficacement les pompes à eaux usées immergées anti-colmatage (pompes de transfert de liquides à faible niveau) largement utilisées. Elle peut également servir d'équipement auxiliaire pour les séparateurs, les pompes de transfert de camions-citernes, les pompes de canalisation auto-amorçantes et les pompes motorisées.
Un autre avantage de la pompe auto-amorçante, voire sa principale caractéristique, est qu'après le remplissage initial de la chambre de pompage avec le liquide, elle peut fonctionner à sec pour aspirer le fluide (pendant une durée maximale de 7 minutes). Ceci évite les accidents liés à une mise en marche involontaire qui pourrait endommager le moteur lors d'un fonctionnement à sec, réduisant ainsi considérablement les risques d'utilisation tout en améliorant le rendement de la pompe.
Avantages et inconvénients d'une pompe à eaux usées immergée anti-colmatage
Avantages
1. La pompe à eaux usées immergée anti-colmatage est installée directement sur le réservoir de stockage du fluide à transporter, sans espace au sol supplémentaire.
2. La pompe à eaux usées immergée traditionnelle anti-colmatage est dotée d'une turbine centrifuge à double équilibrage unique, assurant le transport de fluides propres contenant des particules solides avec des vibrations et un niveau sonore exceptionnellement bas, tout en conservant un rendement élevé. L'utilisation d'une turbine à double équilibrage de type ouvert permet un transport efficace des liquides contaminés contenant des particules solides et des fibres courtes, garantissant un fonctionnement régulier sans colmatage.
Inconvénients
1. Il est nécessaire d'augmenter la capacité du réservoir intermédiaire, et le niveau de liquide du réservoir intermédiaire doit être contrôlé pendant le fonctionnement ;
2. L'entretien est complexe et nécessite le remplacement régulier des joints.
3. Taux d'entretien élevé et coût élevé ;
4. Besoin d'air scellé ;
5. La pompe à eaux usées immergée traditionnelle anti-colmatage n'est pas adaptée au transport de matières inflammables et explosives.
6. Le nouveau type de pompe à eaux usées immergée anti-colmatage n'est pas adapté au transport de matériaux hautement corrosifs contenant des particules.
Les pompes à eaux usées immergées anti-colmatage présentent des avantages et des inconvénients marqués, ces derniers étant même plus nombreux que les avantages. De ce fait, de nombreux secteurs industriels interdisent désormais leur utilisation et les remplacent par des pompes auto-amorçantes, un choix qui ne s'explique pas uniquement par la complexité de leur maintenance, inhérente à leur conception.
La raison du bruit élevé de la pompe à eaux usées immergée non obstruée
1. Aspects mécaniques
La masse déséquilibrée des pièces rotatives de la pompe à eaux usées immergée anti-colmatage en PRV, la mauvaise qualité de la production de pétrole brut, la mauvaise qualité de l'installation, l'arbre asymétrique de l'unité, le balancement dépassant la valeur admissible, la faible résistance et rigidité mécanique des pièces, l'usure et l'endommagement des roulements et des pièces d'étanchéité, etc., produiront de fortes vibrations.
2. La qualité de la pompe à eau et autres aspects
La conception inadéquate du canal d'admission entraîne la détérioration des conditions d'admission et la formation de vortex. Ceci provoque des vibrations de l'arbre long. pompe à eaux usées immergée anti-colmatageLe tassement inégal des fondations supportant la pompe à eaux usées immergée anti-colmatage et son moteur entraînera également des vibrations.
3. Causes de l'endommagement des roulements d'une pompe à eaux usées immergée anti-colmatage
Le roulement a été endommagé par le fonctionnement prolongé de la pompe à eaux usées immergée anti-colmatage, ce qui a entraîné l'assèchement de l'huile de lubrification. Identifiez soigneusement la source du bruit et remplacez le roulement.
4. Causé par des facteurs hydrauliques
Les causes les plus fréquentes de vibration des groupes de pompage d'eaux usées immergés non obstrués sont la cavitation et les fluctuations de pression dans la canalisation.
5. Aspects électriques
Le moteur est l'élément principal de l'appareil. Un déséquilibre magnétique à l'intérieur du moteur, ainsi que des déséquilibres dans d'autres systèmes électriques, provoquent souvent des vibrations et du bruit.
6. Causes des vibrations de la turbine d'une pompe à eaux usées immergée non obstruée
L'écrou de la turbine de la pompe à eaux usées immergée, résistant à la corrosion et anti-colmatage, vibre en raison de la corrosion ou du renversement, provoquant un mouvement important de la turbine, ce qui entraîne des vibrations et du bruit excessifs.
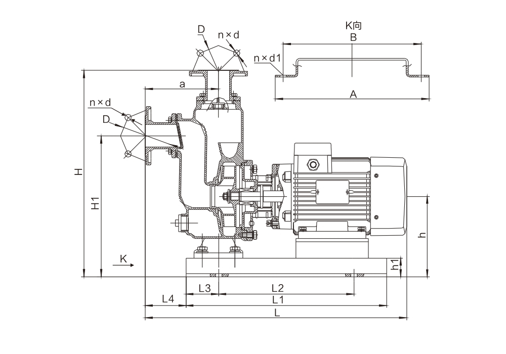
Précautions et schéma d'installation de la pompe auto-amorçante
Notes d'installation pour les pompes auto-amorçantes
1. Avant d'installer une pompe auto-amorçante, réalisez une fondation en béton aux dimensions de sa base, en pré-installant les boulons d'ancrage. Cette fondation est spécifiquement conçue pour les grandes pompes auto-amorçantes ; les modèles plus petits n'en nécessitent pas.
2. Avant d'installer la pompe auto-amorçante, vérifiez soigneusement le serrage de tous les boulons et assurez-vous que le corps de la pompe ne contient aucun corps étranger afin d'éviter d'endommager la turbine pendant son fonctionnement.
3. Positionnez la pompe auto-amorçante sur la dalle de béton, placez une cale d'isolation entre la plaque de base et la dalle, et ajustez la hauteur de la cale pour aligner la pompe horizontalement. Après réglage, serrez les boulons.
4. Les tuyaux d'aspiration et de refoulement d'une pompe auto-amorçante ne doivent pas être soutenus par la pompe elle-même. Ils nécessitent des supports séparés pour garantir un alignement correct. Le diamètre des tuyaux d'entrée et de sortie doit correspondre aux spécifications de la pompe, une attention particulière étant portée au tuyau d'entrée. Toute réduction de diamètre lors de l'installation compromettra la hauteur d'auto-amorçage de la pompe. Si le tuyau d'entrée est installé avec un diamètre inférieur, le tuyau de sortie doit également être réduit proportionnellement. Pour des performances optimales, nous recommandons l'utilisation de tuyaux dont le diamètre correspond aux spécifications standard du fabricant.
5. Lors de la rencontre d'un pompe auto-amorçante Avec un cache-poussière à l'entrée/sortie, retirez-le et raccordez-le à la canalisation. Notez que si vous utilisez une pompe auto-amorçante à aspiration rapide, le tuyau de sortie doit s'étendre verticalement vers le haut sur au moins 1 mètre avant d'être courbé. Sinon, l'eau contenue dans le corps de pompe risque de se vider complètement lors de l'amorçage.
6. Pour faciliter la maintenance et garantir la sécurité d'utilisation, une vanne de régulation doit être installée à l'entrée et à la sortie de la pompe auto-amorçante. De plus, un manomètre doit être placé entre la vanne de sortie et la pompe afin de s'assurer de son fonctionnement dans sa plage de débit et de hauteur manométrique nominale, garantissant ainsi un fonctionnement normal et prolongeant sa durée de vie.
7. Avant de mettre en marche la pompe auto-amorçante après son installation, faites tourner l'arbre et remplissez la chambre de la pompe de liquide pour assurer une vidange complète. Vérifiez l'absence de fuites et assurez-vous que la turbine ne présente aucun frottement ni blocage. En cas de problème, démontez la pompe pour diagnostiquer et résoudre la panne.
Précautions d'emploi de la pompe auto-aspirante
1. Avant d'utiliser une pompe auto-amorçante, assurez-vous que la chambre de la pompe est complètement remplie de liquide. Ne jamais faire fonctionner la pompe à sec. Cependant, si la pompe est conçue pour fonctionner à sec, elle peut être utilisée sans liquide.
2. Avant d'utiliser une pompe auto-amorçante, ouvrez les vannes d'entrée et de sortie. Après avoir branché l'alimentation électrique, appuyez sur le bouton de démarrage pour vérifier que le moteur tourne dans le bon sens, comme indiqué.
3. La vanne de sortie de la pompe auto-amorçante ne doit pas être complètement fermée pendant son utilisation. Si le débit de liquide doit être interrompu, la vanne d'entrée doit être fermée pendant une durée maximale de 2 minutes. Au-delà de cette durée, la machine doit être arrêtée afin d'éviter d'endommager la pompe auto-amorçante.
4. Après l'arrêt de la pompe auto-amorçante, fermez complètement les vannes d'entrée et de sortie. Pour les fluides susceptibles de se solidifier, fermez d'abord la vanne d'entrée et laissez la pompe fonctionner pendant 1 à 2 minutes afin de vidanger le liquide de la chambre de pompage.
Causes et solutions de la panne d'une pompe auto-amorçante
1. La pompe auto-amorçante ne parvient pas à aspirer l'eau car son tuyau d'aspiration n'est pas correctement étanche, ce qui fait que la pompe reste dans un état d'aspiration d'air continu.
Solution : Vérifiez le tuyau d’aspiration de la pompe auto-amorçante et réparez les fuites d’étanchéité, notamment au niveau des soudures, des raccords de tuyauterie et autres zones suspectes. Procédez à un contrôle minutieux : faites fonctionner la pompe pendant environ 5 minutes, puis arrêtez-la. Écoutez le bruit d’aspiration près du tuyau.
2. Après une période d'utilisation, la pompe auto-aspirante subira des dommages dus à la corrosion ou à l'usure, et le joint mécanique fuira, ce qui expliquera pourquoi la pompe auto-aspirante ne pourra plus aspirer l'eau.
Solution : Remplacez la pièce endommagée par une neuve.
3. La raison pour laquelle la pompe auto-aspirante ne peut pas aspirer l'eau est que la canalisation, la vanne de fond ou même le corps de la pompe sont bloqués en raison de la grande quantité d'impuretés dans le liquide transporté.
Solution : Trouvez le point de blocage précis et nettoyez les débris pour résoudre le problème.
4. Une installation incorrecte des canalisations importées, comme un nombre excessif de coudes (limité à 1 ou 2) ou l'utilisation de coudes à 45° lorsqu'il y en a deux, peut empêcher la pompe auto-amorçante d'aspirer l'eau. De même, un diamètre de canalisation anormalement élevé, non conforme aux spécifications de la pompe, peut également provoquer ce problème.
5. Si la pompe auto-amorçante ne parvient pas à aspirer l'eau lors de son second cycle après l'aspiration initiale, cela indique la présence d'air dans le corps de pompe. Ce problème survient généralement lorsque le tuyau de sortie est dépourvu de clapet anti-retour, permettant ainsi à l'air de pénétrer par le raccord atmosphérique. Après l'arrêt, un reflux d'eau peut se produire et de l'air peut rester emprisonné. Pour résoudre ce problème, il est nécessaire d'amorcer la pompe avec de l'eau avant de la redémarrer afin de purger l'air et d'assurer une bonne aspiration d'eau.
La solution pour ce type de pompe auto-amorçante consiste à installer un robinet à globe à la sortie et à fermer ce robinet avant d'arrêter la pompe.
6. Lorsque la pompe auto-amorçante est installée et utilisée, la hauteur d'aspiration de l'eau dépasse la hauteur d'aspiration admissible de la pompe.
Il est recommandé de remplacer la pompe auto-amorçante par une pompe à hauteur d'amorçage plus élevée ou d'utiliser à la place une pompe à eaux usées immergée anti-colmatage.



Pompe à eaux usées submersible anti-colmatage - Instructions d'utilisation et entretien
Instructions d'utilisation et remarques importantes
1.Avant utilisation, vérifiez soigneusement l'absence de dommages sur la pompe et le moteur, ainsi que l'état des pièces de fixation.
2.Faites tourner la pompe pour vérifier l'absence de bruits de frottement, ainsi que la concentricité de l'arbre de la pompe et de l'arbre du moteur. L'écart cylindrique des deux accouplements ne doit pas dépasser 0,5 mm.
3.La canalisation raccordée à la sortie de liquide doit être supportée séparément ; son poids ne doit pas reposer sur le corps de la pompe.
4.Sauf conditions particulières, la pompe doit être équipée d'une armoire de commande entièrement automatisée. Ne jamais la raccorder directement au réseau électrique ni à l'aide d'un interrupteur à couteau afin d'assurer son bon fonctionnement.
5.Ne laissez pas la pompe fonctionner en permanence à faible hauteur manométrique. En règle générale, la hauteur manométrique de service ne doit pas être inférieure à 60 % de la hauteur manométrique nominale et doit être maintenue dans la plage recommandée afin d'éviter la surchauffe du moteur due à une surcharge.
Entretien
1.La pompe doit être gérée et exploitée par une personne désignée, qui vérifiera régulièrement le circuit et les conditions de fonctionnement de la pompe.
2.Après chaque utilisation, et surtout après avoir manipulé des produits visqueux, laissez la pompe fonctionner pendant plusieurs minutes dans de l'eau propre afin d'éviter tout dépôt à l'intérieur de la pompe et de la maintenir propre.
3.Normalement, après 300 à 500 heures de fonctionnement, remplissez ou remplacez l'huile dans la chambre avec de l'huile 10-30#, afin de maintenir une bonne lubrification du joint mécanique et d'améliorer la durée de vie du joint mécanique.
4.La bague d'étanchéité entre la roue et le corps de pompe assure l'étanchéité ; si elle est endommagée, les performances de la pompe en seront directement affectées, et elle doit être remplacée si nécessaire.

